상세 컨텐츠

본문 제목

TRD-J,N

JTEKT(Koyo)/Encoder

by JHFA 2025. 7. 14. 18:07

본문

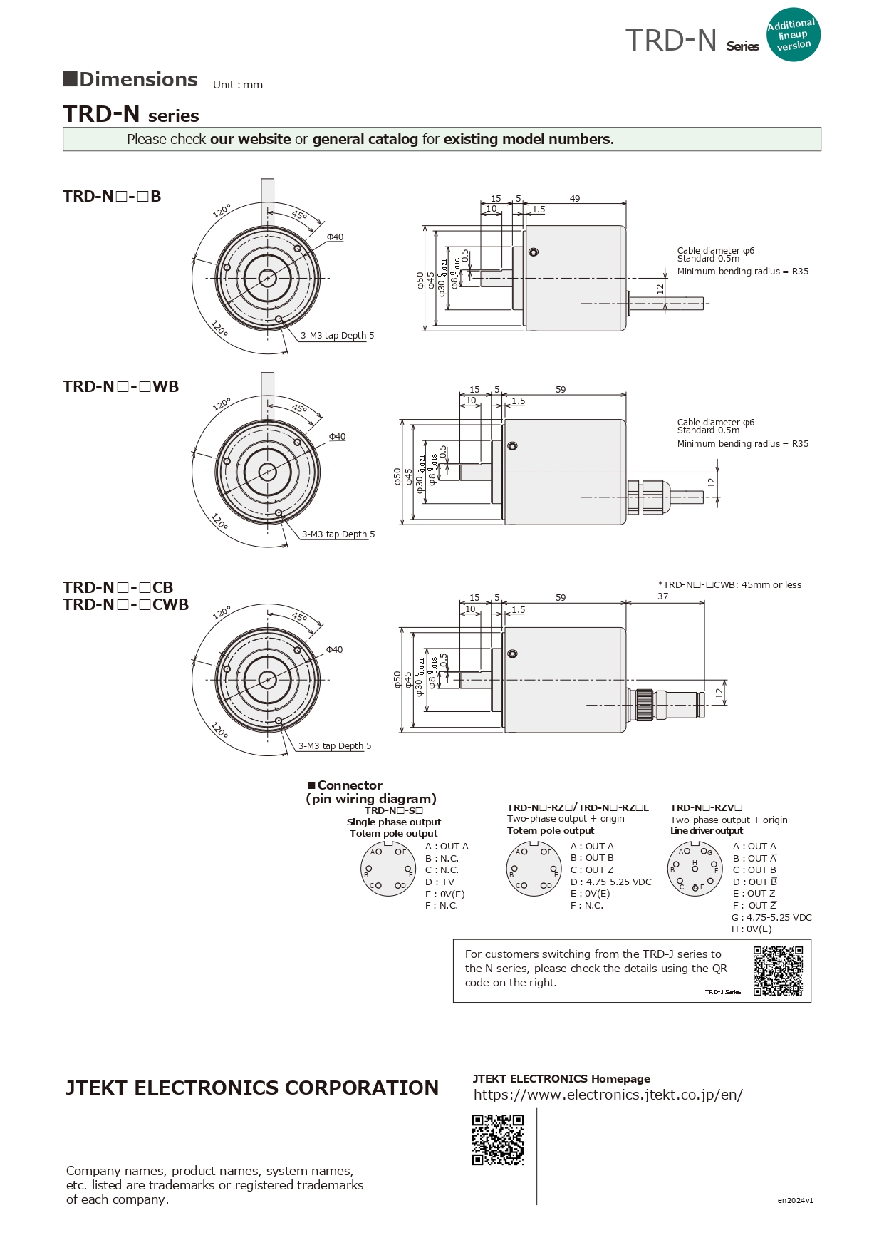
2.TRD_N_leaflet_en2024v1.pdf
0.50MB
TRD-J,N 변경 사양 자료.pdf
0.36MB

'JTEKT(Koyo) > Encoder' 카테고리의 다른 글

TRD-SR,SHR  (0) 2025.07.14

관련글 더보기